Vinyl Casement Windows
2.Multi-chamber profile design for energy saving
3.Weather-resistant and corrosion proof
4.Cost-effective energy efficient solution
- Product Description
Transform Your Home with Premium Vinyl Casement Windows
Are you looking for windows that combine style, energy efficiency, and long-lasting durability? Our Vinyl Casement Windows offer the perfect solution for your home renovation or new construction project. With over 18 a long time of fabricating involvement, Haolv Building Materials conveys remarkable quality windows that upgrade consolation whereas lessening vitality costs. These imaginative items include multi-chamber profiles and premium fixing frameworks planned for greatest execution in any climate.

Why Choose Our Premium Casement Windows?

Exceptional Energy Efficiency
Your domestic merits windows that work difficult to keep vitality costs moo. Our casement windows include progressed multi-chamber profile plan that makes prevalent warm boundaries. This imaginative building anticipates warm exchange, keeping your domestic comfortable year-round whereas diminishing warming and cooling expenses.
The strengthened steel center includes auxiliary quality without compromising warm execution. You'll take note the distinction quickly – hotter winters, cooler summers, and lower utility bills.
Built to Last in Any Weather
Weather shouldn't be a concern when you select quality windows. Our UV-resistant UPVC fabric keeps up its appearance and execution through cruel sun, overwhelming rain, and temperature extremes. The corrosion-proof development makes these windows idealize for coastal regions where salt discuss can harm lesser materials.
Color soundness remains amazing indeed after a long time of presentation. Whether you select classic white, wealthy dull brown, or appealing wood grain wraps up, your windows will see awesome for decades.
Peace and Quiet for Your Home
Noise contamination influences your day by day consolation and rest quality. Our tight fixing framework combined with multi-chamber development makes an successful sound obstruction. Activity commotion, neighborhood sounds, and climate unsettling influences remain exterior where they belong.
The precision-engineered seals avoid discuss penetration whereas significantly lessening sound transmission. You'll appreciate a calmer, more tranquil living environment.
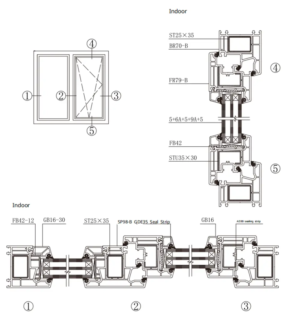
Technical Specifications That Matter
Profile Options

- 60 Series: Standard efficiency for moderate climates
- 70 Series: Enhanced performance for extreme conditions
- High-quality UPVC construction throughout
Glass Configurations

- Standard 5+18A+5 double glazing
- Low-E glass options for maximum energy savings
- Laminated glass for enhanced security
- Triple glazing available for ultimate performance
Design Flexibility
Our vinyl casement windows adapt to your architectural style. Choose from multiple color options and hardware styles. Custom sizing ensures perfect fit for any opening.
Built-in retractable insect screens provide ventilation without unwanted visitors. Quality casement hardware operates smoothly for years with minimal maintenance.
Perfect Applications

Residential Excellence
Modern homes benefit from our advanced window technology. New construction projects gain immediate value with energy-efficient windows. Renovation projects transform older homes into comfortable, efficient living spaces.
Commercial Durability
Schools require windows that withstand daily use while providing comfort for learning. Our products meet educational facility needs with reliable performance and easy maintenance.
Healthcare facilities demand clean, quiet environments. These windows support healing spaces with excellent sound control and easy cleaning surfaces.
Coastal Performance
Salt air and high humidity challenge ordinary windows. Our corrosion-resistant materials thrive in coastal environments where other windows fail prematurely.
Urban installations face pollution and temperature extremes. Superior weather resistance ensures long-term performance in challenging city conditions.
Low Maintenance, High Performance

Busy homeowners appreciate windows that take care of themselves. Our vinyl casement windows never need painting or special treatments. Simple soap and water cleaning maintains their attractive appearance.
The corrosion-resistant material won't rust, rot, or deteriorate like traditional window materials. Moving parts operate smoothly with occasional lubrication. Quality construction means fewer service calls and lower lifetime costs.
Quality Manufacturing Standards

Every window meets GB/T 8478-2020 standards for superior performance. Modern production facilities ensure consistent quality and precise manufacturing tolerances. Rigorous quality control processes verify each window meets our high standards before shipping.
Customized solutions accommodate unique architectural requirements. Our experienced team works with builders and homeowners to create perfect window solutions for any project.
Professional Support When You Need It

Choosing the right windows involves many decisions. Our knowledgeable team helps you select optimal configurations for your specific needs and budget. We understand local building codes and climate considerations that affect window performance.
Installation support ensures proper fitting for maximum performance. Detailed specifications help contractors complete installations correctly the first time.
Ready to upgrade your home with premium vinyl casement windows that deliver lasting value? Contact our experienced team at kristin@haolvwindows.com for personalized recommendations and competitive pricing. Experience the Haolv difference – honest craftsmanship creating windows built for life.












